New and different dual extruder idea

The official subforum for discussion of the installation and use of the official M2 Dual Extruder upgrade.
User avatar
Tim
Posts: 1205
Joined: Thu Apr 10, 2014 2:19 pm
Location: Poolesville, Maryland
Contact:

Re: New and different dual extruder idea

Post by Tim » Mon Dec 14, 2015 5:33 pm

Vandal968 wrote:Looking for a cad file for the v4 hot end mount plate. Don't see anything on github. Anyone got the file or know where it is?
I have not seen that MakerGear has ever posted source for their metal parts. The most they have is rendered views, and even those are out-of-date and don't include any v4 hardware.

On the other hand, it's just a simple outline with some holes drilled in it. The most complicated part is the tapped bore for the clamp screw in front.

Vandal968
Posts: 217
Joined: Mon Jul 13, 2015 4:30 am

Re: New and different dual extruder idea

Post by Vandal968 » Mon Dec 14, 2015 5:44 pm

Yeah, open source. Pretending that all of your files are available to the general public who dream of a hippie-communist utopia where capitalism doesn't exist. Meanwhile, the minute you post your stuff, those same hippies are trying to make money off your hard-work...

(I worked for an open source company for 18 months, I know the drill.)

I was hoping to avoid having to take my extruder apart and measure that thing.

cheers,
c

User avatar
sthone
Posts: 897
Joined: Tue Jul 08, 2014 8:25 pm
Location: Connecticut
Contact:

Re: New and different dual extruder idea

Post by sthone » Mon Dec 14, 2015 5:52 pm

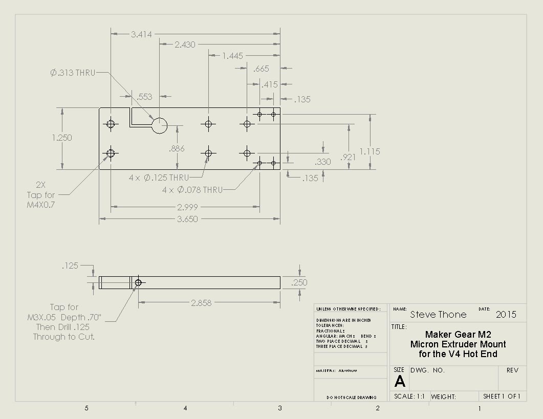
If it helps I have the back half covered for you.. least the mounting holes for the belt clamp and block. You would just have to measure the hole for the hot end and you might be able to do that with it mounted. (I don't have it in front of me though so that's a guess :D)

Image

-Steve
____________________________________________________
See my projects at https://www.theneverendingprojectslist.com

Vandal968
Posts: 217
Joined: Mon Jul 13, 2015 4:30 am

Re: New and different dual extruder idea

Post by Vandal968 » Mon Dec 14, 2015 5:53 pm

Excellent, that does help. Thank you!

cheers,
c

Vandal968
Posts: 217
Joined: Mon Jul 13, 2015 4:30 am

Re: New and different dual extruder idea

Post by Vandal968 » Tue Dec 15, 2015 11:10 pm

Tim,
how are you typically using you dual setup? different colors in the same material, or different materials? I've noticed on my machine that the only time I seem to have jams is when switching materials, especially when going from a higher-temp material back to PLA. I've started swapping hot-ends when I change materials and while not super-convenient, it's more convenient than clearing a jam. Your dual-extruder setup looks especially attractive to me as a way to use one extruder for one material and a second extruder for a 2nd. Have you tried this? Any gotchas in the software when using it this way?

I ordered the magnets and sent an inquiry to MG to find out cost as well as how to order the required parts. Rick asked if it's for a custom dual-extruder setup (clearly it is) and said that he's passing my questions to "operations" and I should hear back tomorrow. Hopefully the parts are available and there aren't any roadblocks. I'll share what I find out.

cheers,
c

User avatar
Tim
Posts: 1205
Joined: Thu Apr 10, 2014 2:19 pm
Location: Poolesville, Maryland
Contact:

Re: New and different dual extruder idea

Post by Tim » Wed Dec 16, 2015 2:56 am

Vandal968 wrote:how are you typically using you dual setup? different colors in the same material, or different materials? I've noticed on my machine that the only time I seem to have jams is when switching materials, especially when going from a higher-temp material back to PLA. I've started swapping hot-ends when I change materials and while not super-convenient, it's more convenient than clearing a jam. Your dual-extruder setup looks especially attractive to me as a way to use one extruder for one material and a second extruder for a 2nd. Have you tried this? Any gotchas in the software when using it this way?
Well, as you know if you've been reading my write-up, I'm still working out the software details, and it changes every day. Today for the first time, I printed something that was more than just a calibration piece (the 2-color die that I posted the g-code for on the site, which is one of my recent submissions to Thingiverse). I had tried printing through a few layers of it over the past couple of days, changing retraction amounts and tweaking the start and tool change scripts. While I found that both Simplify3D and slic3r are doing skirts the wrong way for dual extrusion, I also decided that I would have to use an ooze shield after all. At least for Simplify3D (probably for slic3r, too, but I haven't gotten quite that far with it yet), using the ooze shield circumvents the problem with the skirt. I don't need the ooze shield so much for catching drips as I need it for priming each nozzle on every layer. But it works well for that.

On the negative side, the printed part ended up less clean than I was hoping for, with some of the oozing ending up on the print and getting embedded in the surface. On the positive side, I didn't have to touch the printer for the duration of the print, where I previously (with the MakerGear dual extruder) had to babysit the print or else the drippings would have overwhelmed the ooze shield. I think that in the end, I'm going to end up having to to back to fairly aggressive filament retraction on the inactive extruder as well as keeping the ooze shield. It makes the project not quite the "solution to everything" that I had hoped for, but this architecture does still have distinct advantages. Plus, there's still room for improvement.

That was a long-winded start to my answer.

Anyway, the rest of my answer is that I haven't done any multiple-material prints with the new setup, not because I'm not thinking about it, but because I'm still trying to dial in parameters and set up the software correctly. I did a handful of dual-material prints with the MakerGear dual, including PVA for dissolvable support; and I have various spools of PVA, HIPS, ninjaflex, and PC to experiment with; it's all on the to-do list!
I ordered the magnets and sent an inquiry to MG to find out cost as well as how to order the required parts. Rick asked if it's for a custom dual-extruder setup (clearly it is) and said that he's passing my questions to "operations" and I should hear back tomorrow. Hopefully the parts are available and there aren't any roadblocks. I'll share what I find out.
"operations" is probably carefully eyeing their inventory of spare rail carriages and v4 mount plates and wondering if they're going to regret being so quick to supply me for my project. They have been so good to me. . . I don't want to cause them any grief. That was part of the reason I was looking around for second sources for the rail carriage and fans and such, but the mount plate is a custom part, and I think their wire harnesses are custom, too. I wanted this to be a fairly low-cost way of adding a second extruder, which it is in theory, but in practice getting everything on the parts list doesn't work out so neatly.

Vandal968
Posts: 217
Joined: Mon Jul 13, 2015 4:30 am

Re: New and different dual extruder idea

Post by Vandal968 » Wed Dec 16, 2015 6:12 pm

Tim,
the MG Dual Right Spool Holder that you linked has a shaft that is too large in diameter to fit my filament spools (Hatchbox), the factory left-hand spool holder fits anything. Of course, I discovered this after a multi-hour print making the spool holder. Grrrr......

You may want to change that link to something more universal.

cheers,
c

User avatar
Tim
Posts: 1205
Joined: Thu Apr 10, 2014 2:19 pm
Location: Poolesville, Maryland
Contact:

Re: New and different dual extruder idea

Post by Tim » Thu Dec 17, 2015 3:48 am

Vandal968 wrote:the MG Dual Right Spool Holder that you linked has a shaft that is too large in diameter to fit my filament spools (Hatchbox), the factory left-hand spool holder fits anything. Of course, I discovered this after a multi-hour print making the spool holder. Grrrr......

You may want to change that link to something more universal.
Sorry about that. What's on my printer is, I think, just a copy of the left spool holder, mounted in a completely hacked up way with only one screw holding to the frame, and a second screw resting against the frame to keep it from rotating. I just sort of assumed that whatever they had posted as their most recent version would be better than that. I guess that's not necessarily true. If you (or anybody) has a good idea on what's the best right-side spool holder model, let me know and I'll link to it.

You can also just do my left spool holder hack. It looks odd, but it works just fine.

Vandal968
Posts: 217
Joined: Mon Jul 13, 2015 4:30 am

Re: New and different dual extruder idea

Post by Vandal968 » Fri Dec 18, 2015 8:13 pm

Tim,
not your goof, more of an open-source failing.

I just made a spool holder that works equally well on either side and is nice and small. Have it installed now, works fine. Here's a link if you want to point to it in your docs.
http://www.thingiverse.com/thing:1210428

On to the next challenge....

cheers,
c

Vandal968
Posts: 217
Joined: Mon Jul 13, 2015 4:30 am

Re: New and different dual extruder idea

Post by Vandal968 » Fri Dec 18, 2015 10:11 pm

Just heard back from MG, the parts run about $200 shipped altogether that includes upgrading both extruders to the metal mount. I already had a spare v4 hot-end.

cheers,
c

Post Reply