Scaling and Horizontal Offset
Scaling and Horizontal Offset
I'm working on some parts that require a high level of dimensional accuracy on large and small features.
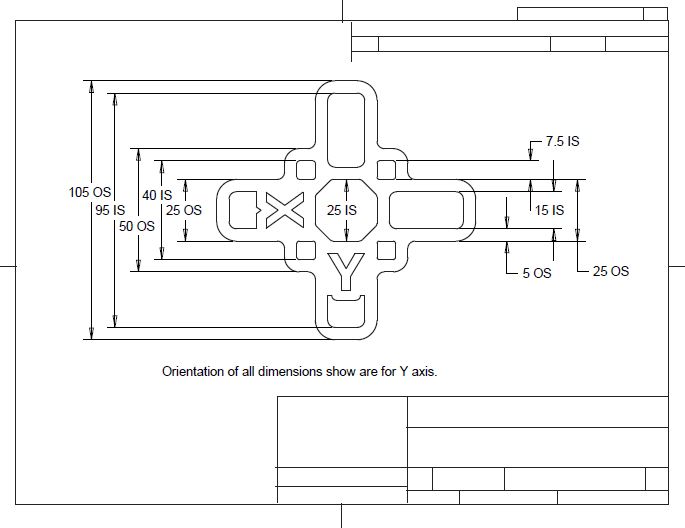
Attached you will find a part I'm calling a Calibration Cross - STL and JPG drawing. It includes internal and external features, both large and small. I have also attached an Excel Spreadsheet (Zipped) which enables (by trial and error) to see the impact of scaling and horizontal offset values in correcting part dimensions.
Print off a Calibration Cross with no scaling and no horizontal offset. Enter the measured values into the spreadsheet and experiment with different X & Y scale factors as well as the horizontal offset value to minimize the resulting error on all of the measured dimensions.
I've only run one calibration with this using ABS, but it worked out great. All dimensions on the second run were within a couple hundredths of a mm of the predicted values. and overall accuracy was greatly improved.
Attached you will find a part I'm calling a Calibration Cross - STL and JPG drawing. It includes internal and external features, both large and small. I have also attached an Excel Spreadsheet (Zipped) which enables (by trial and error) to see the impact of scaling and horizontal offset values in correcting part dimensions.
Print off a Calibration Cross with no scaling and no horizontal offset. Enter the measured values into the spreadsheet and experiment with different X & Y scale factors as well as the horizontal offset value to minimize the resulting error on all of the measured dimensions.
I've only run one calibration with this using ABS, but it worked out great. All dimensions on the second run were within a couple hundredths of a mm of the predicted values. and overall accuracy was greatly improved.
- Attachments
-
- calibration-cross.zip
- Spreadsheet updated 2016.07.08
- (9.11 KiB) Downloaded 2246 times
-
calibration-cross.stl- (74.69 KiB) Downloaded 2306 times
Last edited by zemlin on Fri Jul 08, 2016 12:12 pm, edited 1 time in total.
Re: Scaling and Horizontal Offset
Nice! I've downloaded in case I ever print something that needs to be spot on. (You ought to post it on Thingiverse in the MakerGear Group too, so we can find it again.) 
Re: Scaling and Horizontal Offset
Updated the design with a some intermediate dimensions and heavier sections that work better over a wide range of settings and heavier nozzles.
I print one of these off when I am trying a significantly different layer thickness, extrusion width, or multiplier.
I print one of these off when I am trying a significantly different layer thickness, extrusion width, or multiplier.
- Attachments
-
- calibration-cross.zip
- Excel Spreadsheet
- (9.89 KiB) Downloaded 2255 times
-
calibration-cross.stl- (130.55 KiB) Downloaded 2307 times
Re: Scaling and Horizontal Offset
Another Update.
I've added a few useful fields to the spreadsheet, and also added a Z-Axis calibration. I have attached an updated drawing, the latest spreadsheet, and the STL file for the Z-Axis scaling.
I've added a few useful fields to the spreadsheet, and also added a Z-Axis calibration. I have attached an updated drawing, the latest spreadsheet, and the STL file for the Z-Axis scaling.
- Attachments
-
- Calibration-Cross.zip
- PDF drawing and Excel Spreadheet
- (33 KiB) Downloaded 2334 times
-
100mm.stl- for Z-Axis scaling
- (136.8 KiB) Downloaded 2291 times
Re: Scaling and Horizontal Offset
I realize this is an old thread, but I'm trying to get more mechanical accuracy in my prints, and decided it was time to investigate this process. I ran the cross calibration, measured the results, and played with the spreadsheet to get things within +/- 0.1mm in X & Y. I'm printing the Z calibration post now.
My question is: Once I've got the numbers, what do I do with them? Given that the results presumably will change with filament, I assume you don't want to tweak anything in the firmware. I'm using Simplyfy 3D, and there are "global" and "tool head" offsets under the G-Code tab, but I haven't found permanent process X & Y scaling corrections anywhere obvious. I can double click on the model and change it there, but if it's like rotation adjustments, that goes away every time I change models. I'm looking for something that gets saved with the process.
Which is the best place to apply the offsets?
How do I apply the scaling corrections? G-code in the starting script?
Once I get my Z offset & scaling, where do I apply those?
Thanks!
My question is: Once I've got the numbers, what do I do with them? Given that the results presumably will change with filament, I assume you don't want to tweak anything in the firmware. I'm using Simplyfy 3D, and there are "global" and "tool head" offsets under the G-Code tab, but I haven't found permanent process X & Y scaling corrections anywhere obvious. I can double click on the model and change it there, but if it's like rotation adjustments, that goes away every time I change models. I'm looking for something that gets saved with the process.
Which is the best place to apply the offsets?
How do I apply the scaling corrections? G-code in the starting script?
Once I get my Z offset & scaling, where do I apply those?
Thanks!
Re: Scaling and Horizontal Offset
I use the scaling factors on the part settings on the main screen.
Horizontal Offset is called Horizontal Offset on the OTHER tab.
Z scaling is machine dependent, not material dependent. Doing that once should be enough. The X-Y scaling and offset will change with material and print settings, so I am printing crosses all the time and have a long list of scaling factors depending on the material, color, temperatures, nozzle size, layer thickness, speeds, all that.
It seems I haven't posted the latest part update here. I made some changes a while back to make it easier to measure. Nothing that impacts what you have already done.
It seems I haven't posted the latest part update here. I made some changes a while back to make it easier to measure. Nothing that impacts what you have already done.
- Attachments
-
calibration-cross.stl- (103.6 KiB) Downloaded 2143 times
Re: Scaling and Horizontal Offset
Thanks! I will have to experiment, but my assumption was that the scaling settings you show are associated with the model, and not the process. I want to use the scaling for parts that are dimensionally critical, and that usually means I have to iterate a few times. I know that the rotation settings change every time I delete and replace the model with the latest iteration. I was guessing that the same holds true for the scaling & offsets.
I have a process for each type of filament, like "eSun PLA+ Red", and I was hoping to save the scaling & offsets in that process, rather than having to adjust them every time I import a new model.
Do you have to restore the scaling & offsets with each new model, or do those settings "stick"?
I have a process for each type of filament, like "eSun PLA+ Red", and I was hoping to save the scaling & offsets in that process, rather than having to adjust them every time I import a new model.
Do you have to restore the scaling & offsets with each new model, or do those settings "stick"?
Re: Scaling and Horizontal Offset
That's not how I work. I come up with scaling for the process using the Calibration Cross and apply that to whatever model I am printing with that process.
You might be able to achieve that with some M92 commands in the start script to adjust the steps/mm. http://marlinfw.org/docs/gcode/M092.htmlI have a process for each type of filament, like "eSun PLA+ Red", and I was hoping to save the scaling & offsets in that process, rather than having to adjust them every time I import a new model.
The settings don't stick.Do you have to restore the scaling & offsets with each new model, or do those settings "stick"?
Re: Scaling and Horizontal Offset
I dug around on the S3D forum, and I'm not the only one who wants the scaling saved as part of the process. There's already a feature request in that forum to add this, and I just put in another vote.
-
polygonprint
- Posts: 19
- Joined: Thu Jul 26, 2018 2:38 am
Re: Scaling and Horizontal Offset
Hi Zemlin.... just wanted to say thanks for this! After spending weeks trying to calibrate materials, horizontal offsets, vertical offsets, etc, etc. in S3D and not having a lot of luck I recalled seeing your thread here. On a 25mm cube I was getting large enough differences in my x and y so horizontal scaling in S3D wasn't really working. After a few calculations and manually scaling in S3D I seem to be getting somewhere, finally. Cheers.